Rolló-Halas Kft.   a   NEVA Zsaluziák   tanúsított viszonteladó és telepítő partnere

Kiegészítők és tartozékok

TAKARÓLEMEZEK és KONZOLOK

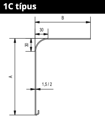
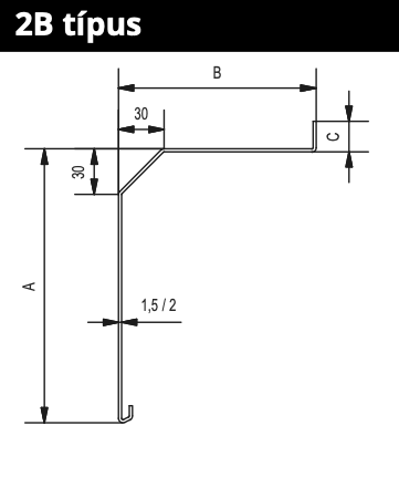
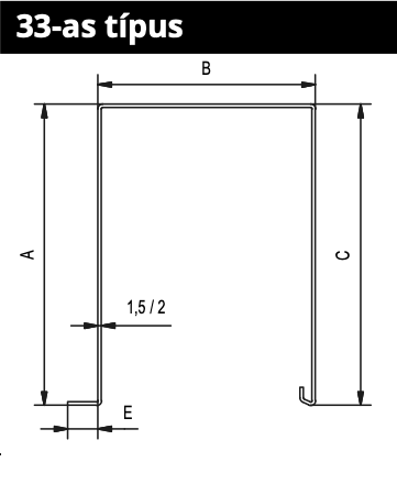
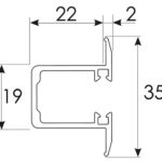
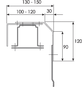
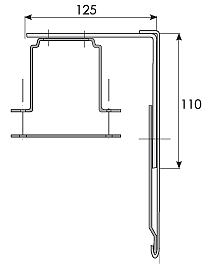
A kültéri zsaluziához szállított takarólemezek alumíniumból készülnek. Felületkezelésük bármely RAL szín szerint rendelhető. A lemezek hossza egy darabban legfeljebb 4 m, vastagsága 1,5 vagy 2 mm. Különféle típusú takarólemezeket kínálunk a könnyebb felszerelés érdekében.

A lemezek felületkezelése: RAL szín szerint
Lemez hossza: max. 4 m egy darabban
Lemez vastagsága: 1,5 vagy 2 mm
Anyaga: alumínium

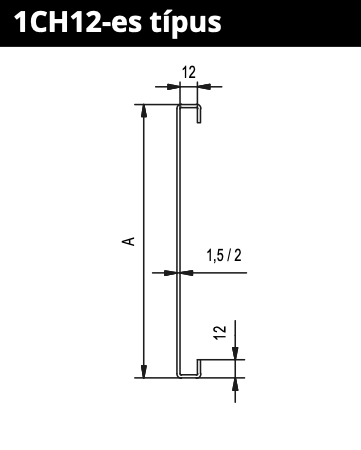
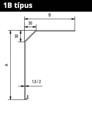
TAKARÓLEMEZEK TÍPUSAI
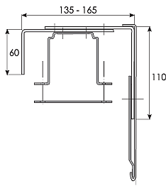
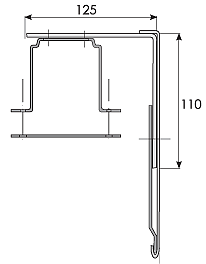
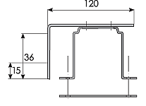
KARNISTARTÓ KONZOLOK TÍPUSAI

1-es sz. konzol – alumínium Szerelés: mennyezet Takarólemezek: nem Anyag: alumínium Kombinálható: 2, 3, 4, 23, 33, 13, 14, CH típusú konzolokkal

2-es sz. konzol  ​Szerelés: fal Takarólemezek: nem Anyag: horganyzott acél

3-as sz. konzol  ​Szerelés: fal Takarólemezek: igen Anyag: horganyzott acél

4-es sz. konzol  ​Szerelés: mennyezet Takarólemezek: nem Anyag: horganyzott acél

konzolok toldó típusai

Takarólemez magasság szerint: 140- 180 mm – a 190- 230 mm – b 240- 280 mm – c 290- 330 mm – d 340- 380 mm – e 390- 430 mm – f 440- 480 mm – g 490- 530 mm 

R1-es konzol​  Szerelés: mennyezet Takarólemezek: nem Anyag: horganyzott acél Kombinálható: 2, 3, 4, 23, 33, 13, 14, CH típusú konzolokkal

13-as sz. konzol  ​Szerelés: fal Takarólemezek: csak 1B, 2B, 1C, 2C típushoz Anyag: horganyzott acél

14-es sz. konzol  ​Szerelés: mennyezet Takarólemezek: csak 1B, 2B, 1C, 2C típushoz Anyag: horganyzott acél

23-as sz. konzol     Szerelés: fal Takarólemezek: igen Anyag: horganyzott acél

VEZETŐSÍNEK TÍPUSAI

S-típusú    alap, klasszikus

SDV-típusú   
alap, dupla vezetősín (hor ony az oldalon)

O-típusú falkávára

SDV 2 típusú
alap dupla vezetősín (horony középen

K típusú
 íves, klasszikus

KDV típusú
íves, dupla

 

H típusú
szögletes, klasszikus

HDV típusú
szögletes, dupla

Z típusú
rejtett